Профили

Флаги или профили «P»

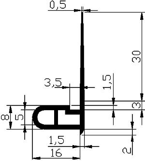
P-профили также называются флаговыми профилями . Мы производим их из EPDM-резины, силикона или губчатой ​​резины. 

Профили из резины EPDM или силиконовые P-профили подходят для герметизации щелей небольших окон или дверей, печей, духовок, производственных цехов.

1 2 3 4 5 6 7 8 9 10